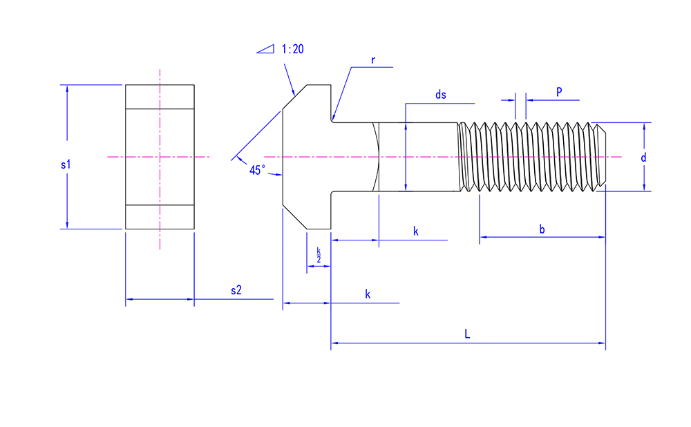
DIN186 ステンレス鋼 T ヘッド ボルト、角首ボルト付き
| ヘッドの特徴 | T型ヘッド回り止めスクエアネック |
| ロッドの特徴 | 二重回転防止 |
| 主な目的 | 回転を防ぎ、安定性を高めます |
| 利点と特徴 | ボルトの回転を防止するスクエアネックデザインで、強力な固定に適しています。 |
| 一般的な用途 | 大型機器、重機などの回転、高負荷の接続を防止します。 |
| 選択のための重要な指標 | Tヘッド形状、角首サイズ、ボルトの長さ、直径、ネジの長さ、材質。 |
| 業界固有の要件 | 重機:高負荷でボルトの回転を防止したい装置に適しています。 自動車産業: ボルトの回転を防ぐ高強度の接続に使用されます。 |

















